Описание продукта: Belimo SR24A-R+ZSV-09 Электропривод шарового клапана
RetroFIT+ поворотный привод для поворотных клапанов и дроссельных заслонок.
- Крутящий момент двигателя: 20 Нм
- Номинальное напряжение переменного/постоянного тока: 24 В
- Управление: Открытие/закрытие, 3-точечное
Особенности привода:
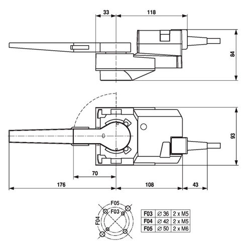
- Простой прямой монтаж на поворотный клапан или дроссельную заслонку с монтажным фланцем. Ориентация монтажа по отношению к фитингу может быть выбрана с шагом 90°.
- Возможно ручное управление с помощью кнопки (зубчатая передача отсоединена, пока кнопка нажата или остается заблокированной).
- Регулируемый угол поворота с механическими концевыми упорами.
- Привод защищен от перегрузки, не требует концевых выключателей и автоматически останавливается при достижении конечного упора.
- Двухсекционный индикатор положения (рычаг) может быть уменьшен до 70 мм, передняя часть рычага может быть прикреплена к кабелю (зажим).
RetroFIT+ поворотный привод для поворотных клапанов и дроссельных заслонок.
- Крутящий момент двигателя: 20 Нм
- Номинальное напряжение переменного/постоянного тока: 24 В
- Управление: Открытие/закрытие, 3-точечное
Особенности привода:
- Простой прямой монтаж на поворотный клапан или дроссельную заслонку с монтажным фланцем. Ориентация монтажа по отношению к фитингу может быть выбрана с шагом 90°.
- Возможно ручное управление с помощью кнопки (зубчатая передача отсоединена, пока кнопка нажата или остается заблокированной).
- Регулируемый угол поворота с механическими концевыми упорами.
- Привод защищен от перегрузки, не требует концевых выключателей и автоматически останавливается при достижении конечного упора.
- Двухсекционный индикатор положения (рычаг) может быть уменьшен до 70 мм, передняя часть рычага может быть прикреплена к кабелю (зажим).
Наш интернет-магазин - это часть большой оптовой компании специализирующейся на комплектации объектов коммерческого, гражданского и частного строительства, а также промышленных и производственных предприятий.
Если вы ищете продукт который не представлен в нашем онлайн-каталоге или замену оборудования которое больше не производят, отправьте нам ваш перечень и наши специалисты в краткие сроки подберут оборудование подходящее под Ваши задачи.
Технічна специфікація електропривода Belimo