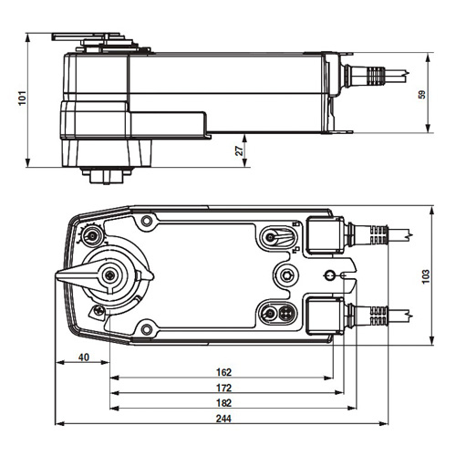
Описание продукта: Belimo SRF24A-SZ-S2-5 Электропривод для заслонок "баттерфляй"
Привод применяется для управления поворотными заслонками "баттерфляй". Управляется привод по стандартной аналоговой схеме. Напряжение питания – АС/DC 24В. Время хода привода составляет 90 c.
В комплекте присутствует переходник F05.
Модификации привода:
- SRF24A-SZ-5 – нормально закрыт;
- SRF24A-SZ-5-O – нормально открыт;
- SRF24A-SZ-S2-5 - оснащен двумя группами встроенных дополнительных переключателей для сигнализации положения.
Особенности привода:
- При перемещении привода в нормальное рабочее положение взводится возвратная пружина. При прекращении подачи питания энергия, запасенная в пружине, возвращает клапан в обратное положение.
- Электропривод легко крепится на клапан при помощи одного винта, горизонтально в любом из четырех положений.
- Ручное управление с помощью ручки на корпусе.
- Угол поворота настраивается при помощи механического упора.
- Электропривод защищен от перегрузки, не требует конечных выключателей и останавливается автоматически при достижении конечных положений.
Привод применяется для управления поворотными заслонками "баттерфляй". Управляется привод по стандартной аналоговой схеме. Напряжение питания – АС/DC 24В. Время хода привода составляет 90 c.
В комплекте присутствует переходник F05.
Модификации привода:
- SRF24A-SZ-5 – нормально закрыт;
- SRF24A-SZ-5-O – нормально открыт;
- SRF24A-SZ-S2-5 - оснащен двумя группами встроенных дополнительных переключателей для сигнализации положения.
Особенности привода:
- При перемещении привода в нормальное рабочее положение взводится возвратная пружина. При прекращении подачи питания энергия, запасенная в пружине, возвращает клапан в обратное положение.
- Электропривод легко крепится на клапан при помощи одного винта, горизонтально в любом из четырех положений.
- Ручное управление с помощью ручки на корпусе.
- Угол поворота настраивается при помощи механического упора.
- Электропривод защищен от перегрузки, не требует конечных выключателей и останавливается автоматически при достижении конечных положений.
Наш интернет-магазин - это часть большой оптовой компании специализирующейся на комплектации объектов коммерческого, гражданского и частного строительства, а также промышленных и производственных предприятий.
Если вы ищете продукт который не представлен в нашем онлайн-каталоге или замену оборудования которое больше не производят, отправьте нам ваш перечень и наши специалисты в краткие сроки подберут оборудование подходящее под Ваши задачи.
Технічна специфікація електропривода Belimo