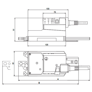
Описание продукта: Belimo BFN24-T Электропривод для огнезадерживающего клапана
Электропривод огнезадерживающего клапана Belimo серии BFN24-T
Электропривод с возвратной пружиной серии BFN24-T (9/7 Нм) предназначен для управления огнезадерживающими клапанами и клапанами дымоудаления, установленными в системах вентиляции и кондиционирования.
Принцип работы электропривода Belimo BFN24-T
- При перемещении заслонки клапана в нормальное рабочее положение взводится возвратная пружина.
- При прекращении подачи питания энергия, запасенная в пружине, возвращает заслонку в охранное положение.
- Привод не требует конечных выключателей и защищен от перегрузок.
- Термопрерыватель срабатывает, если температура окружающего воздуха превышает 72 °С.
- Сменные термопрерыватели также срабатывают, если температура воздуха в канале превышает 72 °С.
- Устройства при срабатывании вызывают отключение электропитания таким образом, что повторное включение привода без замены термопрерывателя уже невозможно.
- Кнопка на корпусе термопрерывателя позволяет произвести тест функционирования клапана.
Особенности электропривода Belimo BFN24-T
- Блокировка в охранном положении.
Запатентованный механизм блокировки редуктора в «охранном» положении надежно удерживает лопатку заслонки и в случае пожара обеспечивает максимальную безопасность. - Система сигнализации.
Привод оборудован двумя фиксированными микропереключателями для сигнализации конечных положений. Промежуточное положение привода показывает механический индикатор (стрелка). - Ручное управление.
Возможно ручное управление клапаном, а также фиксирование его в любом положении. Разблокировка осуществляется либо вручную шестигранным ключом из комплекта поставки, либо автоматически при подаче питания. - В комплект входит переходник для установки на вал квадратного сечения 12/10 мм.
Технические характеристики
Крутящий момент двигателя /пружины, Нм
Напряжение питания, В
Время поворота двигателя /пружины, с
Степень защиты IP
Температура эксплуатации
Потребляемая мощность
9/7
24
60 / 20
IP54
-30…+55°С
4 Вт
Электропривод огнезадерживающего клапана Belimo серии BFN24-T
Электропривод с возвратной пружиной серии BFN24-T (9/7 Нм) предназначен для управления огнезадерживающими клапанами и клапанами дымоудаления, установленными в системах вентиляции и кондиционирования.
Принцип работы электропривода Belimo BFN24-T
- При перемещении заслонки клапана в нормальное рабочее положение взводится возвратная пружина.
- При прекращении подачи питания энергия, запасенная в пружине, возвращает заслонку в охранное положение.
- Привод не требует конечных выключателей и защищен от перегрузок.
- Термопрерыватель срабатывает, если температура окружающего воздуха превышает 72 °С.
- Сменные термопрерыватели также срабатывают, если температура воздуха в канале превышает 72 °С.
- Устройства при срабатывании вызывают отключение электропитания таким образом, что повторное включение привода без замены термопрерывателя уже невозможно.
- Кнопка на корпусе термопрерывателя позволяет произвести тест функционирования клапана.
Особенности электропривода Belimo BFN24-T
- Блокировка в охранном положении.
Запатентованный механизм блокировки редуктора в «охранном» положении надежно удерживает лопатку заслонки и в случае пожара обеспечивает максимальную безопасность. - Система сигнализации.
Привод оборудован двумя фиксированными микропереключателями для сигнализации конечных положений. Промежуточное положение привода показывает механический индикатор (стрелка). - Ручное управление.
Возможно ручное управление клапаном, а также фиксирование его в любом положении. Разблокировка осуществляется либо вручную шестигранным ключом из комплекта поставки, либо автоматически при подаче питания. - В комплект входит переходник для установки на вал квадратного сечения 12/10 мм.
Технические характеристики
| Крутящий момент двигателя /пружины, Нм | Напряжение питания, В | Время поворота двигателя /пружины, с | Степень защиты IP | Температура эксплуатации | Потребляемая мощность |
| 9/7 | 24 | 60 / 20 | IP54 | -30…+55°С | 4 Вт |
Наш интернет-магазин - это часть большой оптовой компании специализирующейся на комплектации объектов коммерческого, гражданского и частного строительства, а также промышленных и производственных предприятий.
Если вы ищете продукт который не представлен в нашем онлайн-каталоге или замену оборудования которое больше не производят, отправьте нам ваш перечень и наши специалисты в краткие сроки подберут оборудование подходящее под Ваши задачи.
Технічний опис "Електропривід Belimo BFN-T"