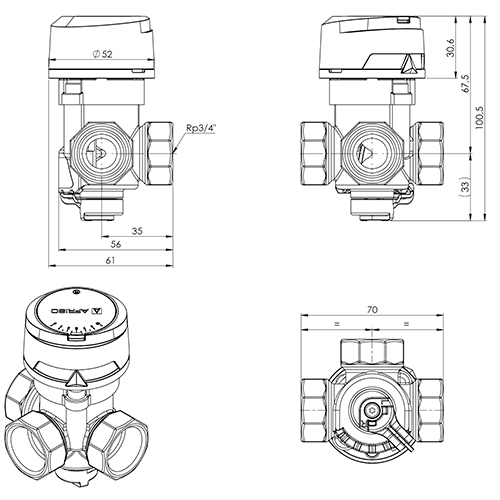
Описание продукта: Трехходовой смесительный клапан Afriso ARV 386 Vario ProClick Rp 1 1/2" | DN 40 | Kvs 14-36 (1338620)
3-ходовые смесительные клапаны ARV Vario ProClick предназначены для интеграции в системы отопления и охлаждения. Данное устройство устанавливают на подачу или обратный контур системы, поближе к источнику тепла. Основная функция клапанов – смешивать теплоноситель в нужных пропорциях для достижения заданной температуры. Кроме того, они могут использоваться в качестве переключателей между двумя сегментами системы.
Особенности и технические параметры
Особенностью ARV Vario ProClick является возможность выбора оптимального значения коэффициента пропускной способности (Kvs) для конкретной системы с возможностью его корректировки в будущем. Точный выбор Kvs критический для обеспечения правильной работы клапана.
Клапаны изготовлены из высококачественных материалов: корпус выполнен из латуни, а запорный элемент и внутренние компоненты из прочного пластика. Регулировка Kvs производится с помощью специального рычага, расположенного на нижней части клапана. Модели с внутренней резьбой имеют восьмигранные соединения, что упрощает их монтаж.
Устройство оборудовано специальными ручками для механической регулировки и ограничителями угла вращения. Двухсторонняя шкала обеспечивает универсальность в монтаже: с одной стороны градуировки от 0 до 10 с отметкой "L", с другой - от 10 до 0 с отметкой "R". Ручка изготовлена из нескользящего материала, что обеспечивает удобство в использовании.
Конструкционные особенности

Для удобного подключения приводов и контроллеров ProClick предусмотрены специальные пластиковые элементы под ручкой. Это позволяет быстро и без инструментов устанавливать компоненты управления, обеспечивая эффективность и надежность работы системы.
3-ходовые смесительные клапаны ARV Vario ProClick предназначены для интеграции в системы отопления и охлаждения. Данное устройство устанавливают на подачу или обратный контур системы, поближе к источнику тепла. Основная функция клапанов – смешивать теплоноситель в нужных пропорциях для достижения заданной температуры. Кроме того, они могут использоваться в качестве переключателей между двумя сегментами системы.
Особенности и технические параметры
Особенностью ARV Vario ProClick является возможность выбора оптимального значения коэффициента пропускной способности (Kvs) для конкретной системы с возможностью его корректировки в будущем. Точный выбор Kvs критический для обеспечения правильной работы клапана.
Клапаны изготовлены из высококачественных материалов: корпус выполнен из латуни, а запорный элемент и внутренние компоненты из прочного пластика. Регулировка Kvs производится с помощью специального рычага, расположенного на нижней части клапана. Модели с внутренней резьбой имеют восьмигранные соединения, что упрощает их монтаж.
Устройство оборудовано специальными ручками для механической регулировки и ограничителями угла вращения. Двухсторонняя шкала обеспечивает универсальность в монтаже: с одной стороны градуировки от 0 до 10 с отметкой "L", с другой - от 10 до 0 с отметкой "R". Ручка изготовлена из нескользящего материала, что обеспечивает удобство в использовании.
Конструкционные особенности

Для удобного подключения приводов и контроллеров ProClick предусмотрены специальные пластиковые элементы под ручкой. Это позволяет быстро и без инструментов устанавливать компоненты управления, обеспечивая эффективность и надежность работы системы.
Наш интернет-магазин - это часть большой оптовой компании специализирующейся на комплектации объектов коммерческого, гражданского и частного строительства, а также промышленных и производственных предприятий.
Если вы ищете продукт который не представлен в нашем онлайн-каталоге или замену оборудования которое больше не производят, отправьте нам ваш перечень и наши специалисты в краткие сроки подберут оборудование подходящее под Ваши задачи.