Віброгасник Walraven 40х30мм з двома зовнішніми різьбленнями М8 (2801400550)
2801400550
В наявності

Всі товари бренда Walraven

Наша компанія є офіційним дистриб'ютором продукції групи компаній Walraven в Україні.

Для будівельних та монтажних компаній спеціальні умови! Будемо раді співпраці!

Купуйте офіційний продукт!


236.70 ГРН
Кількість товару:
+
До порівняння
Способи оплати
Безготівковий розрахунок з ПДВ
Гарантії
Офіційна гарантія від виробника
14 Обмін, повернення протягом 14 днів
Методи доставки
Кур'єром по Києву
По Україні транспортними компаніями}
Самовивіз товару з офісу

Опис продукту Віброгасник Walraven 40х30мм з двома зовнішніми різьбленнями М8 (2801400550)

Walraven VibraTek SB-MM Silentblock - універсальний гумовий амортизатор (сайлентблок) для використання з усіма видами еластичного підвішування або кріплення обладнання.

Призначені для систем з низькочастотною вібрацією та широко використовуються для встановлення кондиціонерів, насосів, компресорів, вентиляторів та іншого інженерного обладнання, де потрібна розв'язка конструкції від основи.

  • ідеально підходить для використання з машинами та обладнанням, встановленими на металевій поверхні;
  • всі види обладнання з робочою швидкістю обертання 1000 об/хв та вище;
  • з двома зовнішніми різьбленнями;
  • тільки для використання у компресії;
  • робочий діапазон температур від -30˚C до 80˚C.

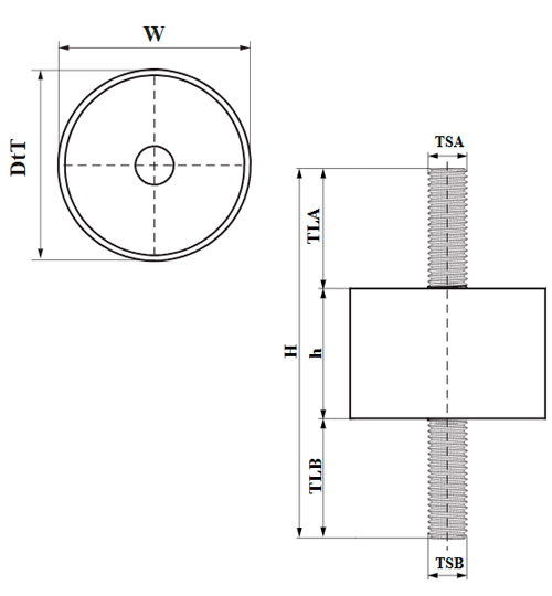
Схеми, креслення Віброгасник Walraven 40х30мм з двома зовнішніми різьбленнями М8 (2801400550)

W - 40 мм

DtT - 40 мм

H - 76 мм

h - 30 мм

TLA - 23 мм

TLB - 23 мм

TSA - M8

TSB - M8

Характеристики товара: Віброгасник Walraven 40х30мм з двома зовнішніми різьбленнями М8 (2801400550)

Бренд:
Walraven
Країна реєстрації бренду:
Нідерланди
Тип продукції:
віброгасник
Різьблення:
М8
Максимально допустиме навантаження [Fa,z]:
1450 N
Вид нарізі:
зовнішня
Призначення:
для віброакустичної ізоляції
Гарантія:
від виробника

Матеріали

Матеріал:
сталь
Покриття:
оцинковка
Технологія оцинковки:
електролітична
Вкладиш:
TPE-гума

Фізичні характеристики: розмір, об'єм, вага

Зовнішній діаметр елемента:
40 мм
Висота:
76 мм

Данні для замовлення

Кількість в упаковці:
100 шт
Мінімальне замовлення:
1 шт
Ціна за:
1 шт

Комбінації товарів Віброгасник Walraven 40х30мм з двома зовнішніми різьбленнями М8 (2801400550)

Відгуки про Віброгасник Walraven 40х30мм з двома зовнішніми різьбленнями М8 (2801400550)

Не знайдено дописів

2801400550
В наявності
236.70 ГРН
Кількість товару:
+
До порівняння