Опис продукту Термостат для фанкойлу Tervix WiFi Fancoil Thermostat з WiFi керуванням І 2 труби І 0-10В (114541)
Термостат Tervix WiFi Fancoil Thermostat з функціями нагрівання, охолодження та циркуляції
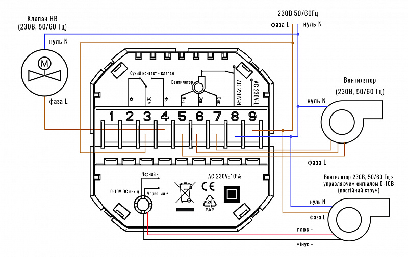
Даний термостат підтримує режими нагрівання, охолодження та циркуляції, а також оснащений вбудованим датчиком вологості. У разі підвищеної вологості, можна автоматично вимкнути охолодження. Термостат підтримує управління вентилятором як для 230В (змінний струм), так і через сигнал 0-10 (постійний струм) з трьома швидкостями обертання. Він також може керувати нормально-відкритими та нормально-закритими приводами. Завдяки виходу без напруги (сухому контакту) пристрій сумісний з клапанами, що працюють на будь-якій напрузі живлення.

Цей інтелектуальний термостат має кольоровий дисплей та функцію тижневого програмування, яка дозволяє встановлювати чотири періоди часу та чотири температурні значення на день (для робочих днів, суботи та неділі). Він також підтримує ручне або автоматичне керування згідно з попередньо заданими налаштуваннями. Легко програмується, керується та контролюється віддалено через інтернет. Термостат сумісний з фанкойлами на 2 труби з тришвидкісними вентиляторами, як для 230В, так і з сигналом, що управляє 0-10В.
Зовнішній вигляд:
- Кольоровий екран для зручності використання.
- Інтуїтивно зрозуміле керування.
- Сучасний дизайн, який поєднується з будь-яким інтер'єром.
- Підсвічування екрану для зручного читання у темряві.
- Постійно підсвічена центральна сенсорна кнопка керування.
- Легкий та зрозумілий інтерфейс.

Функціональні можливості:
- Управління через WiFi або вручну.
- Точність температури ±0.5°C.
- Контролює вентилятор на 230В або 0-10В.
- Вбудований датчик відносної вологості.
- Збереження налаштувань навіть за відсутності живлення.
- 5+2 програмовані періоди (7 днів) із чотирма програмами на день.
- Створення групи термостатів для централізованого керування.
- Підтримка Google Home.
- Синхронізування пристрою з поточним часовим поясом.
- Управління режимами нагрівання, охолодження та вентиляції.
Термостат Tervix WiFi Fancoil Thermostat з функціями нагрівання, охолодження та циркуляції
Даний термостат підтримує режими нагрівання, охолодження та циркуляції, а також оснащений вбудованим датчиком вологості. У разі підвищеної вологості, можна автоматично вимкнути охолодження. Термостат підтримує управління вентилятором як для 230В (змінний струм), так і через сигнал 0-10 (постійний струм) з трьома швидкостями обертання. Він також може керувати нормально-відкритими та нормально-закритими приводами. Завдяки виходу без напруги (сухому контакту) пристрій сумісний з клапанами, що працюють на будь-якій напрузі живлення.

Цей інтелектуальний термостат має кольоровий дисплей та функцію тижневого програмування, яка дозволяє встановлювати чотири періоди часу та чотири температурні значення на день (для робочих днів, суботи та неділі). Він також підтримує ручне або автоматичне керування згідно з попередньо заданими налаштуваннями. Легко програмується, керується та контролюється віддалено через інтернет. Термостат сумісний з фанкойлами на 2 труби з тришвидкісними вентиляторами, як для 230В, так і з сигналом, що управляє 0-10В.
Зовнішній вигляд:
- Кольоровий екран для зручності використання.
- Інтуїтивно зрозуміле керування.
- Сучасний дизайн, який поєднується з будь-яким інтер'єром.
- Підсвічування екрану для зручного читання у темряві.
- Постійно підсвічена центральна сенсорна кнопка керування.
- Легкий та зрозумілий інтерфейс.

Функціональні можливості:
- Управління через WiFi або вручну.
- Точність температури ±0.5°C.
- Контролює вентилятор на 230В або 0-10В.
- Вбудований датчик відносної вологості.
- Збереження налаштувань навіть за відсутності живлення.
- 5+2 програмовані періоди (7 днів) із чотирма програмами на день.
- Створення групи термостатів для централізованого керування.
- Підтримка Google Home.
- Синхронізування пристрою з поточним часовим поясом.
- Управління режимами нагрівання, охолодження та вентиляції.
Наш інтернет-магазин - це частина великої оптової компанії, що спеціалізується на комплектації об'єктів комерційного, цивільного та приватного будівництва, а також промислових та виробничих підприємств.
Якщо ви шукаєте продукт, який не представлений в нашому онлайн-каталозі або заміну обладнання, яке більше не виробляють, надішліть нам ваш перелік і наші фахівці в короткі терміни підберуть обладнання, що підходить під Ваші завдання.