Опис продукту Belimo LH230A60 Електропривод лінійної дії (хід 0-60 мм)
Електропривод керування повітряними заслінками Belimo LH230A
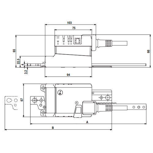
Електроприводи Belimo LH230A… з ходом штока 60, 100, 200 та 300мм є лінійними приводами без поворотної пружини та застосовуються для керування повітряними заслінками площею до 1 м2 у системах вентиляції та кондиціювання. Приводи управляються за 3-точковою схемою або за схемою відкрито/закрито. Час ходу складає 150с/100мм.
Робоча напруга – 230 В~/=.
Особливості електроприводу:
- Застосування без поперечного навантаження. Електропривод кріпиться гвинтами в 3-х точках безпосередньо до корпусу заслінки. Верхня частина штока кріпиться до рухомої частини клапана (заслінки ковзання).
- Застосування із поперечним навантаженням. Обов'язкове застосування монтажного комплекту. Максимально можливий кут відхилення приводу від основи становить 10 °, в бік та вгору.
- Ручне керування. Можливе ручне керування за допомогою кнопки із самоповерненням (при натиснутій кнопці редуктор виводиться із зачеплення).
- Налаштування ходу штока. Хід штока регулюється за допомогою механічних упорів із кроком 20 мм.
- Висока функціональна надійність. Електропривод захищений від перевантаження, не вимагає кінцевих вимикачів і автоматично зупиняється при досягненні кінцевих положень.
Електрична схема підключення

Електропривод керування повітряними заслінками Belimo LH230A
Електроприводи Belimo LH230A… з ходом штока 60, 100, 200 та 300мм є лінійними приводами без поворотної пружини та застосовуються для керування повітряними заслінками площею до 1 м2 у системах вентиляції та кондиціювання. Приводи управляються за 3-точковою схемою або за схемою відкрито/закрито. Час ходу складає 150с/100мм.
Робоча напруга – 230 В~/=.
Особливості електроприводу:
- Застосування без поперечного навантаження. Електропривод кріпиться гвинтами в 3-х точках безпосередньо до корпусу заслінки. Верхня частина штока кріпиться до рухомої частини клапана (заслінки ковзання).
- Застосування із поперечним навантаженням. Обов'язкове застосування монтажного комплекту. Максимально можливий кут відхилення приводу від основи становить 10 °, в бік та вгору.
- Ручне керування. Можливе ручне керування за допомогою кнопки із самоповерненням (при натиснутій кнопці редуктор виводиться із зачеплення).
- Налаштування ходу штока. Хід штока регулюється за допомогою механічних упорів із кроком 20 мм.
- Висока функціональна надійність. Електропривод захищений від перевантаження, не вимагає кінцевих вимикачів і автоматично зупиняється при досягненні кінцевих положень.
Електрична схема підключення

Технічний опис "Електропривід Belimo LH230A"