Опис продукту Belimo SRFA-5-O Електропривод для заслонок "батерфляй"
Привод застосовується для керування поворотними заслонками "батерфляй". Керується привод за схемою відкрито/закрито.
Час ходу приводу:
- двигун – 75с;
- пружина – 20с.
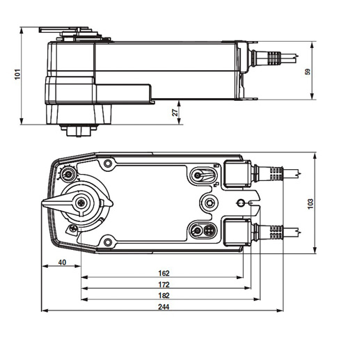
У комплекті є перехідник F05.
Модифікації приводу :
- SRFA-5 – нормально закритий;
- SRFA-5-O – нормально відкритий;
- SRFA-S2-5 – оснащений двома групами вбудованих додаткових перемикачів для сигналізації положення.
Принцип дії
При переміщенні приводу в нормальне робоче положення піднімається зворотна пружина.
Проста установка
Електропривод легко кріпиться на клапан за допомогою одного гвинта, горизонтально у кожному з чотирьох положень.
Ручне керування
За допомогою ручки на корпусі.
Висока функціональна надійність
Електропривод захищений від перевантаження, не вимагає кінцевих вимикачів і автоматично зупиняється при досягненні кінцевих положень.
Кут повороту налаштовується механічним упором.
Привод застосовується для керування поворотними заслонками "батерфляй". Керується привод за схемою відкрито/закрито.
Час ходу приводу:
- двигун – 75с;
- пружина – 20с.
У комплекті є перехідник F05.
Модифікації приводу :
- SRFA-5 – нормально закритий;
- SRFA-5-O – нормально відкритий;
- SRFA-S2-5 – оснащений двома групами вбудованих додаткових перемикачів для сигналізації положення.
Принцип дії
При переміщенні приводу в нормальне робоче положення піднімається зворотна пружина.
Проста установка
Електропривод легко кріпиться на клапан за допомогою одного гвинта, горизонтально у кожному з чотирьох положень.
Ручне керування
За допомогою ручки на корпусі.
Висока функціональна надійність
Електропривод захищений від перевантаження, не вимагає кінцевих вимикачів і автоматично зупиняється при досягненні кінцевих положень.
Кут повороту налаштовується механічним упором.
Наш інтернет-магазин - це частина великої оптової компанії, що спеціалізується на комплектації об'єктів комерційного, цивільного та приватного будівництва, а також промислових та виробничих підприємств.
Якщо ви шукаєте продукт, який не представлений в нашому онлайн-каталозі або заміну обладнання, яке більше не виробляють, надішліть нам ваш перелік і наші фахівці в короткі терміни підберуть обладнання, що підходить під Ваші завдання.
Технічна специфікація електропривода Belimo