Опис продукту Триходовий змішувальний клапан Tervix Pro Line RMV Rp 1 1/4", DN32, Kvs 16 (314142)
3-ходовий поворотний змішувальний клапан RMV Tervix Pro Line призначений для регулювання температури теплоносія в системах опалення та охолодження шляхом змішування або поділу потоків. Він забезпечує поступове відкриття/закриття проходів для гарячого та холодного теплоносія, підтримуючи стабільну температуру на виході з майже незмінною витратою. Клапан не запірний та не забезпечує герметичного перекриття. Застосовується в трубопроводах із неагресивними рідинами (вода, гліколевий теплоносій до 50%).
Управління: ручне або автоматичне за допомогою електроприводу (рекомендується AMV/CAMV Tervix Pro Line).
Конструкція клапана:

Технічні параметри клапана:
- Розмір: DN32, різьбове з'єднання Rp 1 1/4" (ISO 7/1)
- Матеріал корпусу: Латунь DZR (CW 602N, CuZn36Pb2As)
- Ущільнення: EPDM
- Робочий тиск: PN 10 бар
- Температурний діапазон: +2°C до +110°C
- Kvs: 16 м³/год
- Крутний момент: 5 Нм
- Макс. перепад тиску: 1 бар (режим змішування) / 2 бар (режим поділу)
- Витік: до 1% потоку (змішування), до 0.3% (поділ)
- Крива управління: S-подібна
- Середовище: холодна/гаряча вода, 50% гліколю; pH 7-10
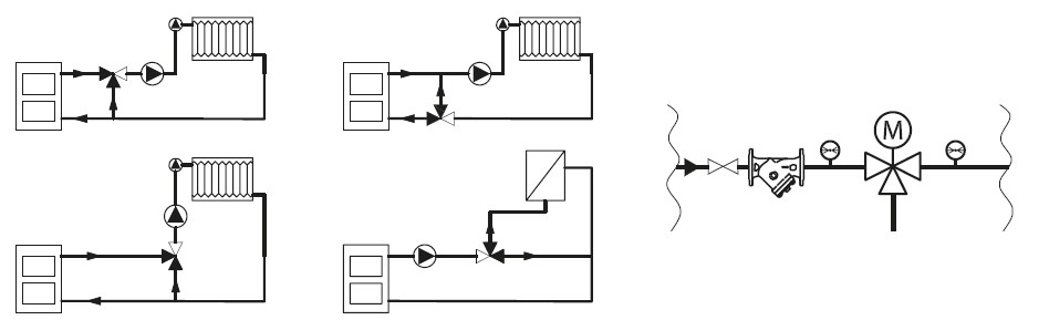
Схема роботи даної моделі:

Комплектація: клапан, інструкція з експлуатації
Виробництво: Китай
3-ходовий поворотний змішувальний клапан RMV Tervix Pro Line призначений для регулювання температури теплоносія в системах опалення та охолодження шляхом змішування або поділу потоків. Він забезпечує поступове відкриття/закриття проходів для гарячого та холодного теплоносія, підтримуючи стабільну температуру на виході з майже незмінною витратою. Клапан не запірний та не забезпечує герметичного перекриття. Застосовується в трубопроводах із неагресивними рідинами (вода, гліколевий теплоносій до 50%).
Управління: ручне або автоматичне за допомогою електроприводу (рекомендується AMV/CAMV Tervix Pro Line).
Конструкція клапана:

Технічні параметри клапана:
- Розмір: DN32, різьбове з'єднання Rp 1 1/4" (ISO 7/1)
- Матеріал корпусу: Латунь DZR (CW 602N, CuZn36Pb2As)
- Ущільнення: EPDM
- Робочий тиск: PN 10 бар
- Температурний діапазон: +2°C до +110°C
- Kvs: 16 м³/год
- Крутний момент: 5 Нм
- Макс. перепад тиску: 1 бар (режим змішування) / 2 бар (режим поділу)
- Витік: до 1% потоку (змішування), до 0.3% (поділ)
- Крива управління: S-подібна
- Середовище: холодна/гаряча вода, 50% гліколю; pH 7-10
Схема роботи даної моделі:

Комплектація: клапан, інструкція з експлуатації
Виробництво: Китай
Наш інтернет-магазин - це частина великої оптової компанії, що спеціалізується на комплектації об'єктів комерційного, цивільного та приватного будівництва, а також промислових та виробничих підприємств.
Якщо ви шукаєте продукт, який не представлений в нашому онлайн-каталозі або заміну обладнання, яке більше не виробляють, надішліть нам ваш перелік і наші фахівці в короткі терміни підберуть обладнання, що підходить під Ваші завдання.
Технічний опис - Поворотний змішувальний клапан Tervix Pro Line RMV